おかげさまで開設25周年AMARIPROPERTYGROUP.CO.UK 創業祭

AMARIPROPERTYGROUP.CO.UK

詳しくはこちら
マイストア マイストア 変更
  • 即日配送
  • 広告
  • 取置可能
  • 店頭受取

HOT ! 最終値下げ aer dual mix pocket tools 初代機 美品

※AMARIPROPERTYGROUP.CO.UK 限定モデル
YouTuberの皆様に商品の使い心地などをご紹介いただいております!
紹介動画はこちら

ネット販売
価格(税込)

32450

  • コメリカード番号登録、コメリカードでお支払いで
    コメリポイント : 1ポイント獲得

コメリポイントについて

購入個数を減らす
購入個数を増やす

お店で受け取る お店で受け取る
(送料無料)

受け取り店舗:

お店を選ぶ

近くの店舗を確認する

納期目安:

13時までに注文→17時までにご用意

17時までに注文→翌朝までにご用意

受け取り方法・送料について

カートに入れる

配送する 配送する

納期目安:

2026.03.11 7:7頃のお届け予定です。

決済方法が、クレジット、代金引換の場合に限ります。その他の決済方法の場合はこちらをご確認ください。

※土・日・祝日の注文の場合や在庫状況によって、商品のお届けにお時間をいただく場合がございます。

即日出荷条件について

受け取り方法・送料について

カートに入れる

欲しいものリストに追加

欲しいものリストに追加されました

最終値下げ aer dual mix pocket tools 初代機 美品の詳細情報

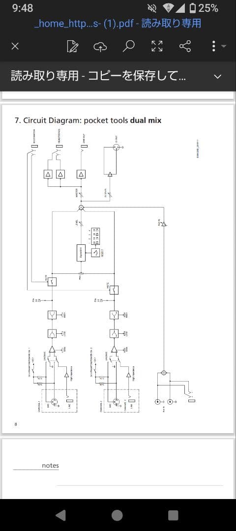
今だけ値下げ中です。アコースティック楽器用ミキサー兼プリアンプです。特に人気ギター奏者、トミーエマニュエルの使用で有名です。2025年8月に中古で購入したものです。動作確認済み、美品。写真のものですべてです。ギター2本をつなぎ、同時または交互に演奏ができます。あるいは、ピエゾマイクとマイクの両方をブレンドする使い方も可能です。さらには、ボーカルマイクを繋げるとミキサーに頼らずに弾き語りライブを開催することもできます。初代機は販売終了しており、中古市場ではほとんど出回っておらず大変希少です。名機compact 60のアンプ部のみを取り出した仕様で、これをPAにつなげるだけでライブを開催できます。エコー、ディレイ、コーラスのエフェクター付き。ファンタム電源24v供給可能。写真の英文マニュアルはネットで入手できます。 日本語マニュアルは後継機dual mix 2のものしか見つかりません。仕様は異なりますが参考になります。。ギター fender japan st62 tx mh。フェンダーメキシコテレキャスター1992〜1993製。EASTMAN(イーストマン)AR-605E 中古。太郎 Ibanez / iron label RGDIR6M-LBM。Fender Japan TL-STD BLK テレキャスター 47-0315。Burny RLCレスポールカスタム 黒 バーニー 即戦力仕様!。fender Japan ストラトキャスター Sシリアル エレキギター新品弦付き。【ガイムさん専用】Epiphone 1958 Flying V Korina。ギター epiphone hr-1 e920010。K*N様 Fender player Stratocaster。Squier by Fender Jazzmaster 激トラネック ジャズマス。Burny RLC 3PU レスポール ブラック。Orville Les Paul サンバースト。ギター Gordon Smith GS-1。ギター EDWARDS E-SG-110LT2。ギター Fender Japan TL72-53 3TSB

同じカテゴリの 商品を探す

ベストセラーランキングです

このカテゴリをもっと見る

この商品を見た人はこんな商品も見ています

近くの売り場の商品

このカテゴリをもっと見る

カスタマーレビュー

オススメ度  4.1点

現在、4601件のレビューが投稿されています。