おかげさまで開設25周年AMARIPROPERTYGROUP.CO.UK 創業祭

AMARIPROPERTYGROUP.CO.UK

詳しくはこちら
マイストア マイストア 変更
  • 即日配送
  • 広告
  • 取置可能
  • 店頭受取

HOT ! その他 6-1/2 Digital Multimeter_YOKOGAWA 7561

※AMARIPROPERTYGROUP.CO.UK 限定モデル
YouTuberの皆様に商品の使い心地などをご紹介いただいております!
紹介動画はこちら

ネット販売
価格(税込)

8700

  • コメリカード番号登録、コメリカードでお支払いで
    コメリポイント : 9ポイント獲得

コメリポイントについて

購入個数を減らす
購入個数を増やす

お店で受け取る お店で受け取る
(送料無料)

受け取り店舗:

お店を選ぶ

近くの店舗を確認する

納期目安:

13時までに注文→17時までにご用意

17時までに注文→翌朝までにご用意

受け取り方法・送料について

カートに入れる

配送する 配送する

納期目安:

2026.03.09 7:55頃のお届け予定です。

決済方法が、クレジット、代金引換の場合に限ります。その他の決済方法の場合はこちらをご確認ください。

※土・日・祝日の注文の場合や在庫状況によって、商品のお届けにお時間をいただく場合がございます。

即日出荷条件について

受け取り方法・送料について

カートに入れる

欲しいものリストに追加

欲しいものリストに追加されました

その他 6-1/2 Digital Multimeter_YOKOGAWA 7561の詳細情報

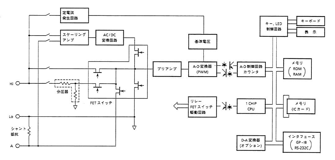
YOKOGAWA6-1/2 高精度デジタルマルチメーターModel : 756102-B-1No.40CC0140- インターフェース: RS-232C,EXT.TRIG & OUTPUT- 電源: AC 100V全面パネルのメモリーカード挿入口が破損しています。リアパネルの左下の脚に修復痕があります。フロントパネルのベゼル部は塗装が施されています。画像1:カタログ7562のフロントパネル画像2:出品製品7561のフロントパネル画像3〜7:外観のチェックをお願いします。画像8:DC Source (YOKOGAWA 7651)から1.0000mVを出力しHP 34401A (6-1/2)と比較しました。画像9:DC Source (YOKOGAWA 7651)から1.00000Vを出力しHP 34401A (6-1/2)と比較しました。画像10:DC Source (YOKOGAWA 7651)から10.0000Vを出力しHP 34401A (6-1/2)と比較しました。画像11:DC Source (YOKOGAWA 7651)から1.00000mAを出力しHP 34401A (6-1/2)と比較しました。上記条件で4-Wireモードにしました、測定リード線の抵抗値はキャンセルされています。画像12:抵抗測定で2-Wireモードで測定リード線の抵抗値の影響が測定されています。画像13:抵抗測定で4-Wireモードで測定リード線の抵抗値の影響が除去されて測定されています。画像14:ブロックダイアグラム画像15:動作原理画像16:DC電圧レンジと分解能画像17:DC電流レンジと分解能画像18:抵抗レンジと分解能上記検査のみ確認しました。お送りするのは本体のみで測定に使用したケーブルと機材は含みません。全ての測定器は校正をかけておりませんので精度の保証はありません。現状でのお渡しで納得いただける方のご検討をお願い致します。追試依頼及び質問はコメントからどうぞ!本製品は7561でAC-V,AC-Iの機能は無いので注意して下さい。AC機能付は7562です。お手元に届いて説明と異なるときは評価の前に測定条件を添えてコメントをお願いします。速かに対応します。ご覧いただき有難うございます。。アマチュア無線機 iCOM IC-207。オートアンテナチューナー ICOM AH-730。第一電波工業 30A 安定化電源 GSV3000。動作良好! KEYSIGHT 34461A 6.5桁 デジタルマルチメーター。直流安定化電源 アルイコン Alinco 10A DM-310MV。新品 未使用 アイコム IC-DPR7S PLUS増波デジタル簡易無線機 登録局。マルハマ 鳴物入 希少MARUHAMA RT-723DX ほぼ新品状態。m*3様 HI-MOUND テレグラフキー HK-808 防衛庁指定名称NKY-。ALINCO DT-830M DC-DCコンバーター 30A。ADVANTEST R3132 スペクトラムアナライザー 9KHz-3GHz。②KEYSIGHT/HP 34401A 6.5桁 デジタルマルチメーター整備品。え*し様 ADVANTEST デジタル スペクトラム アナライザ R9211A。Robby取引。その他 2SC3240。★格安!東京ハイパワー アンテナチューナー HC-500A カプラー 中古!★。Robby 芽。CQ ham radio ハムラジオ 2006年 12冊 全巻 雑誌。【値下げ】ALINCO DT-920 DC-DCコンバーター スピーカー付。LEADER 3220 シグナルジェネレーター標準信号発生器リーダー電子ジャンク。移動用アルミポール アマチュア無線

同じカテゴリの 商品を探す

ベストセラーランキングです

このカテゴリをもっと見る

この商品を見た人はこんな商品も見ています

近くの売り場の商品

このカテゴリをもっと見る

カスタマーレビュー

オススメ度  4.9点

現在、4649件のレビューが投稿されています。